
Gedetailleerde productbeschrijving
| Voordeel: | Hoge snelheid | Etiketteringssnelheid: | 60-200 stuks / min |
|---|---|---|---|
| Functie: | Zelfklevende stickeretikettering | Materiaal: | Roestvrij staal |
| Flessentype: | Automatische ronde flessenetiket | Toepassing: | Voor allerlei ronde containers |
| Plc Merk: | MITSUBISHI (Japan) | Servo-etiketteringsmotor: | DELTA (Taiwan) |
rode wijn etiketteermachine glazen wijnfles etiketteermachine, PLC controlesysteem MITSUBISHI merk etiketteermachine
Kenmerken:
1. Bediening: PLC-besturingssysteem maakt de etiketteermachine eenvoudig te bedienen
2. Materiaal: Het hoofdgedeelte van de etiketteermachine is gemaakt van SUS304-roestvrij staal
3. Configuratie: Onze etiketteermachines gebruiken bekende Japanse, Duitse, Amerikaanse, Koreaanse of Taiwanese merkonderdelen
4. Flexibiliteit: de klant kan ervoor kiezen om een printer en een codemachine toe te voegen; kan ervoor kiezen om verbinding te maken met converyer of niet.
Technische parameters:
| Naam | Automatische ronde wijnfles voor krimpkous met hoge snelheid, ronde flesetiketteermachine |
| Etiketteringssnelheid | 60-350 stuks / min |
| Hoogte van het object | 30-350 mm |
| Dikte van het object | 20-120 mm |
| Hoogte van label | 5-180 mm |
| Lengte van het label | 25-300 mm |
| Labelrol binnendiameter | 76 mm |
| Buitendiameter labelrol | 420 mm |
| Nauwkeurigheid van etikettering | ± 1 mm |
| Stroomvoorziening | 220V 50 / 60Hz 3,5KW |
| Gasverbruik van de printer | 5Kg / m2 (als codeermachine wordt toegevoegd) |
| Grootte van de etiketteermachine | 2800 (L) × 1650 (B) × 1500 (H) mm |
| Gewicht van de etiketteermachine | 180 kg |
Configuratie
| Nee. | Een deel | merk | aantal stuks |
| 1 | PLC | MITSUBISHI (Japan) | 1 |
| 2 | Hoofdconverter | DANFOSS (Denemarken) | 1 |
| 4 | HMI | WEINVIEW (Taiwan) | 1 |
| 5 | Servo-etiketteermotor | DELTA (Taiwan) | 1 |
| 6 | Servo labeling motor driver | DELTA (Taiwan) | 1 |
| 7 | Transportband motor | HY (Taiwan) | 1 |
| 8 | Transportband motor versnellingsbak | HY (Taiwan) | 1 |
| 9 | Verdeelflesmotor | GPG (Taiwan) | 1 |
| 10 | Versnellingsbak van de flesmotor verdelen | GPG (Taiwan) | 1 |
| 11 | Flessenscheidende motor snelheidsregelaar | GPG (Taiwan) | 1 |
| 12 | Sprak motor | GPG (Taiwan) | 1 |
| 13 | Spaakmotor versnellingsbak | GPG (Taiwan) | 1 |
| 14 | object detecteren magisch oog | OMRON (Japan) | 1 |
| 15 | glasvezel | OMRON (Japan) | 1 |
Machinedetail:

32 belangrijkste onderdelen van de etiketteermachine

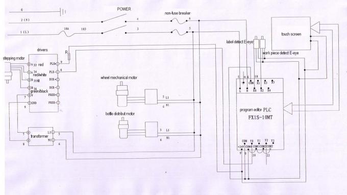
Schakelschema

FAQ:
1.label krijgt bellen
Redenen:
① afpelplank is niet goed / niet vlak;
② ploegplank is niet goed / niet vlak;
③ de labeluitvoer is te snel of de snelheid van de lopende band is te laag;
④ het label wordt te los getrokken
Oplossingen:
① verander een platte schil van boord;
② vervang een plat ploegbord;
③ vertraag de uitvoersnelheid van de etikettering of verhoog de snelheid van de lopende band;
④ de labelband correct raken.
Label: industriële etiketteermachine, etiketteermachine voor glazen flessen









